- TRAKČNÍ A CYKLICKÉ BATERIE
- AUTOBATERIE
- FOTOVOLTAIKA A VĚTRNÉ ELEKTRÁRNY
- DALŠÍ KATEGORIE
- Úvod
- VŠE PRO SOLÁRNÍ ELEKTRÁRNU
- Měniče síťové GridFree
- GridFree měnič s limiterem přetoku SUN-2000G2 1800W
GridFree měnič s limiterem přetoku SUN-2000G2 1800W
- Kompletní specifikace
- Parametry
- Hodnocení 0
- Komentáře 0
- Ke stažení
GridFree měnič s limiterem přetoku SUN-2000G2 1800WSkladem 18 ks5 690 Kč/ ks4 702 Kč bez DPH
GridFree měnič s výkonem cca 1800W je síťový střídač pracující ve vstupním rozsahu napětí 45-90 V DC, který se od běžných síťových střídačů liší integrovaným limiterem pro zabránění přetoků do veřejné sítě. Měnič díky integrovanému MPPT regulátoru převede maximum energie vyrobené fotovoltaickými panely na 230 V AC ve vnitřní domácí síti.
GridFree měnič s limiterem je revoluční řešení pro malé síťové fotovoltaické elektrárny, například balkónové elektrárny, u kterých je nutné omezovat vlastní výkon dle aktuální spotřeby a tedy zcela zamezit přetokům do veřejné sítě.
Tyto měniče jsou navrženy pro vnitřní používání, a kromě klasických svorek pro připojení solárních panelů nebo baterie a výstupu pro připojení do sítě má také měnič proudovou sondu připojenou na interní limiter (s kabelem o délce 3 m).
Na přehledném displeji měniče můžete sledovat:
- Aktuální výkon měniče ze solárních panelů/baterií
- Výkon dodávaný ze sítě
- Napětí na DC vstupu
- Teplotu měniče
- Napětí sítě
- Datum a čas
- Denní průběh produkce
- Nastavení měniče
V případě připojení 24V baterií na vstup tohoto měniče a nabíjení baterií pomocí samostatného MPPT regulátoru, např. Epsolar ET6415 nebo Victron BlueSolar/SmartSolar, získáte hybridní systém bez přetoku, s dodávkou energie i v průběhu večerních hodin. Měnič je možné kombinovat i s existujícími bateriovými FV systémy, např. pro předávání přebytků do nezálohovaných okruhů domu.
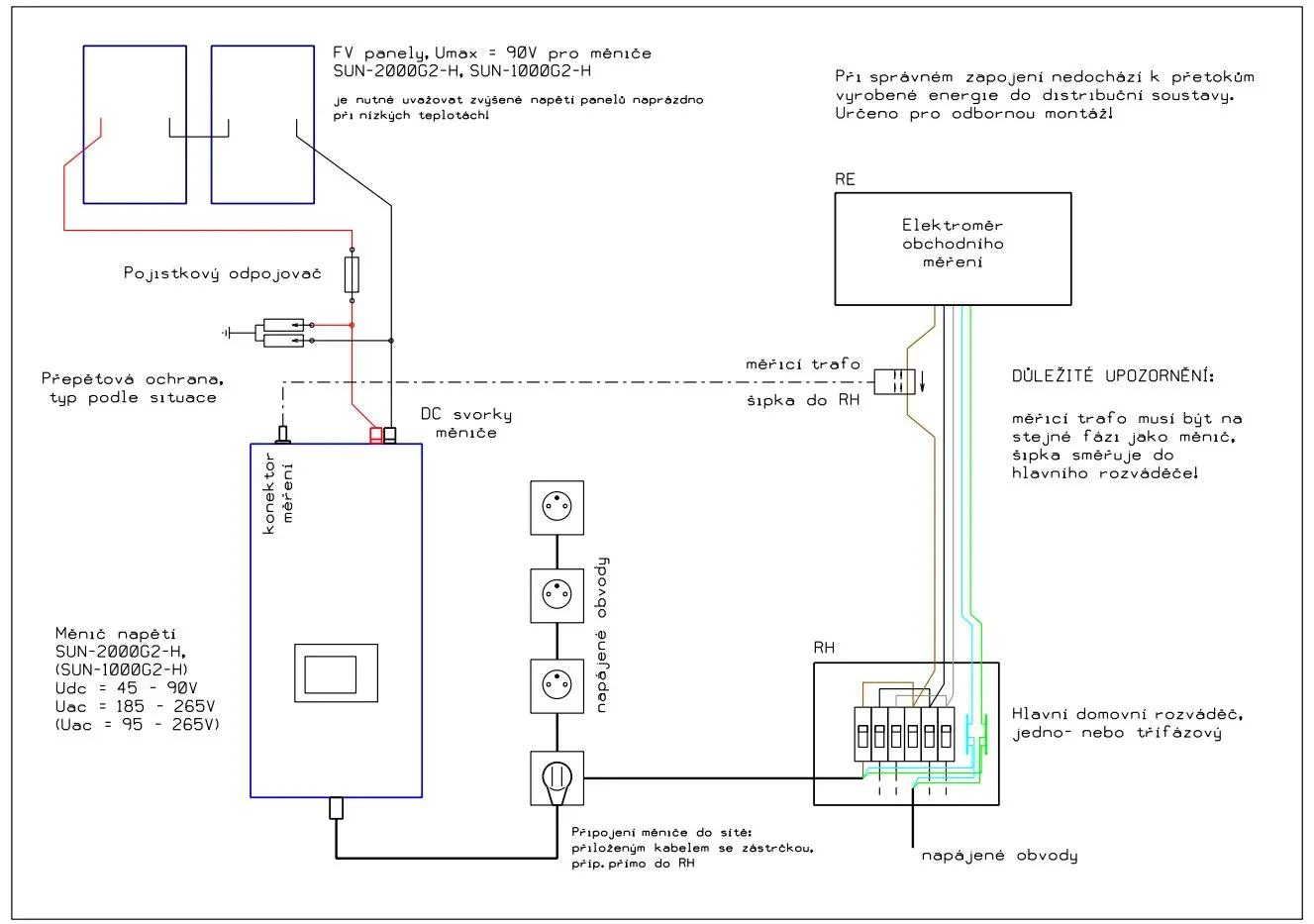
GridFree měnič pracuje v rozsahu vstupního napětí DC 45-90 V a jeho výkon je 800 W (špičkový 1000 W). Výstupem z měniče je pak napětí AC 230 V, které se připojuje mezi hlavní jistič s elektroměrem a jističe jednotlivých okruhů. Měnič tedy výkon z panelů (nebo vhodné baterie) převede do domácích rozvodů. Vaše spotřebiče pak budou odebírat energii vyrobenou primárně z vaší elektrárny. Pokud by výkon vaší elektrárny v daný okamžik nestačil, připojená veřejná síť nedostatek pokryje. Instalací proudové sondy k limiteru ochráníte svůj systém proti nežádoucím přetokům v případě, že je vaše elektrárna schopna vyrábět více energie, než vaše spotřebiče vyžadují.
Měnič nepracuje v ostrovním režimu, tzn, že pro svou funkci vyžaduje připojení od veřejné distribuční sítě. Jakmile dojde k výpadku sítě, měnič se ihned vypne.
Měniče jsou certifikovány pro prodej a používání v EU. Splňují kritéria certifikací EMC, LVD, RoHS. Měniče splňují normu EN50549-1 a lze tak na instalace čerpat dotace i je připojit do distribuční sítě spolu s dodatečnými ochranami viz zapojení v dokumentech k produktu. Zapojení tak splňuje požadavky směrnice EU 2016/631 (RfG NC).
Velmi efektivní a snadný způsob řešení pro nezávislou výrobu el. energie se zachováním připojení k distribuční síti. Ideální způsob snížení nákladů za elektřinu, zvláště při napájení trvalých odběrů, jako jsou:
- trvale nebo dlouhodobě běžící počítačové systémy (kanceláře, těžba bitcoinů)
- přes den běžící klimatizace v režimu chlazení nebo příhřevu
- napájení bazénových čerpadel, filtrů, vodotrysků, apod.
- pokrytí základní trvalé spotřeby domu (větrání, ledničky, mrazáky)

Obr. 1. Malý systém na výrobu elektrické energie připojený do rozvodné sítě s měničem GWL GridFree

Obr. 2. Paralelním propojením několika měničů lze vytvořit větší systém. Instalace je okamžitě připravená
k použití („plug and play“).
Zapojení měniče do solárního systému je jednoduché
Bez akumulátoru:
Stránky EG.D informující o podmínkách povolování instalce balkónových elektráren.













